Certex Logo

Categories

Crosby® Sliding Choker Hooks

Crosby® Sliding Choker Hooks

• Forged Alloy Steel — Quenched and Tempered

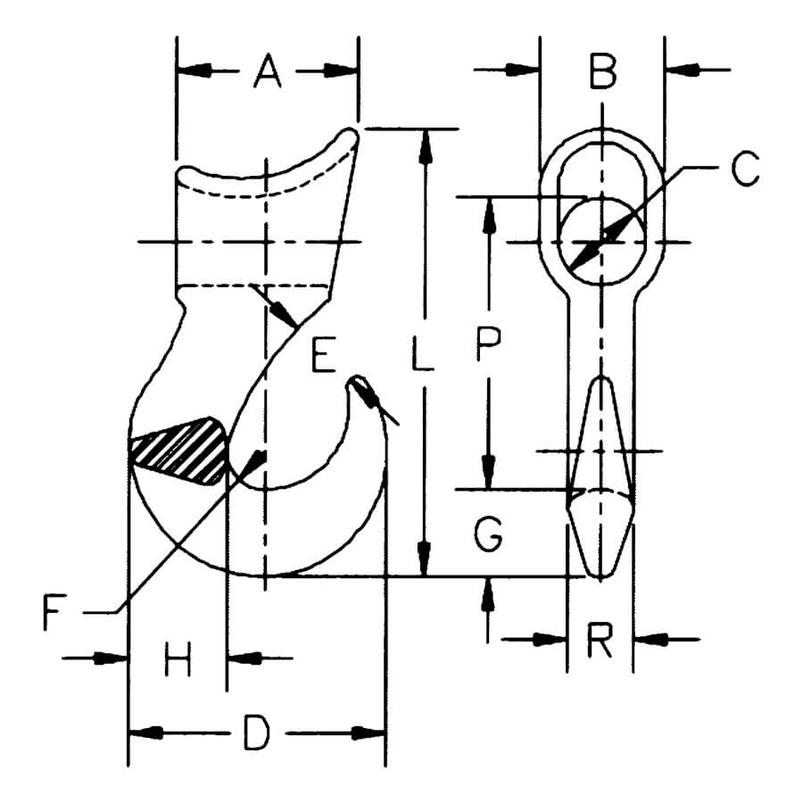
Single Part Rope Size (in.) Eight Part Rope Size (in.) CERTEX Cat. Ref. No. Crosby A-350 Stock No. S.C. Working Load Limit* (lbs.) Weight Each (lbs.) Dimensions (in.)
A B C D E F G H L P R
3/8 CX05-0127 1028042 2500 .77 2.06 1.13 .63 2.41 .63 .38 .84 .91 4.28 2.59 .63
1/2 1/8 CX05-0128 1028060 3300 1.19 2.25 1.31 .75 2.97 .78 .50 .97 1.06 4.97 3.09 .75
†5/8 3/16 CX05-0129 1028088 5000 2.89 3.06 1.63 .75 3.56 .94 .56 1.13 1.31 6.38 3.88 1.00
†5/8 3/16 CX05-0130 1028104 5000 2.70 3.06 1.63 1.00 3.56 .94 .56 1.13 1.31 6.38 4.00 1.13
†3/4 1/4 CX05-0131 1028122 8000 2.95 3.38 2.13 1.00 4.25 1.16 .63 1.44 1.63 7.66 4.56 1.13
†3/4 1/4 CX05-0132 1028140 8000 5.00 3.38 2.13 1.44 4.25 1.16 .63 1.44 1.63 7.66 4.78 1.13

* Ultimate Load is 5 times the Working Load Limit.
† When ordering, EYE diameter “C” should be specified.

WARNING: Prop 65: Products supplied by CERTEX USA may expose you to chemicals including Nickel, which is known to the State of California to cause cancer. For more information, visit to www.P65Warnings.ca.gov.

Related Products